Tổng quan về biến tần bốn góc VEICHI AC830
Tủ biến tần bốn góc VEICHI AC830 thuộc nền tảng công nghệ sản phẩm điều chỉnh tốc độ chuyển đổi tần số bốn góc phần tư của VEICHI. Nó áp dụng kiến trúc điều khiển kép ARM + FPGA, ổ siêu hiệu quả và tiết kiệm năng lượng. Sơ đồ phản hồi chỉnh lưu tích cực AFE được áp dụng để giảm hiệu quả nội dung sóng hài ở phía lưới. Hoàn hảo không có sóng hài, truyền động đầy đủ và điều khiển đầy đủ, tương thích với điều khiển truyền động của động cơ không đồng bộ, động cơ đồng bộ và động cơ tốc độ cao.

Các tính năng của biến tần bốn góc VEICHI AC830
1. Hiệu suất kiểm soát tuyệt vời.
2. Phương pháp gỡ lỗi thuận tiện.
3. Xử lý và bảo vệ nhiều lỗi.
Nền tảng điều khiển hiệu suất cao
Sơ đồ phản hồi chỉnh lưu tích cực AFE được áp dụng để giảm sóng hài ở phía lưới. Nó có thể nhận ra hoạt động điều khiển vòng lặp tốc độ cao và độ chính xác cao để đảm bảo khả năng đáp ứng động tuyệt vời và độ chính xác điều khiển của hệ thống truyền động.
Các phương pháp kiểm soát khác nhau
Điều khiển VF, vector vòng hở và vector vòng kín.
Phù hợp với nhiều loại tải khác nhau
Động cơ không đồng bộ, động cơ đồng bộ, động cơ từ trở và động cơ tốc độ cao.
Độ chính xác cao và phản hồi nhanh
Độ chính xác tốc độ: ± 0,01% tốc độ đồng bộ
danh định Đáp ứng mô-men xoắn: ≤5ms.
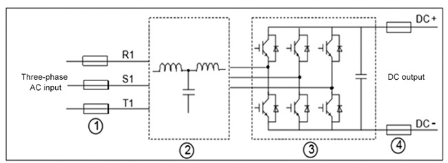
Khả năng phản hồi bốn góc phần tư tuyệt vời
Biến tần bốn góc phần tư chỉnh lưu tích cực được trang bị bộ lọc LCL PWM, có thể làm giảm hiệu quả hàm lượng sóng hài ở phía lưới.

Gỡ lỗi máy chủ phù hợp với điều kiện làm việc

1. Phần mềm VCSoft có giao diện thân thiện và dễ sử dụng mà không cần bất kỳ kiến thức chuyên môn nào về hệ thống.
2. Kỹ sư gỡ lỗi hoạt động thông qua giao diện đồ họa và menu. Cấu hình đơn giản, cài đặt tham số, phát hiện lỗi, bảo trì hệ thống và dịch vụ các hệ thống phức tạp có thể được hoàn thành trong thời gian ngắn.
3. Bản ghi xu hướng của tối đa 8 tín hiệu có thể được hoàn thành, giúp đơn giản hóa việc chẩn đoán và tối ưu hóa biến tần.
4. Bộ ghi dữ liệu tốc độ cao bên trong bộ điều khiển VCU có thể được truy cập và thông tin của 50 đối tượng được quan sát trước và sau khi lỗi sẽ được khôi phục hoàn toàn. Nó có thể giúp các kỹ sư gỡ lỗi xác định vị trí lỗi một cách hiệu quả và tối ưu hóa quy trình kiểm soát quy trình của dây chuyền sản xuất.
VEICHI AC830 có Bàn phím đa chức năng tiện lợi và nhanh chóng

Bảo vệ toàn diện nhiều
Chức năng bảo vệ an toàn
Có thể cấu hình chức năng STO-Safe Torque Off. Thông qua phát hiện mạch phần cứng, xung ổ đĩa IGBT bị chặn để ngắt nguồn cung cấp điện cho động cơ, ngăn động cơ khởi động vô tình và đảm bảo an toàn cho người và thiết bị.
Bảo vệ biến tần
Ngắn mạch, quá dòng, quá áp, quá áp, mất pha, quá nhiệt, quá tải, ngắt kết nối bộ mã hóa, vv lên đến 30 loại bảo vệ cài đặt.
Bảo vệ động cơ
Hỗ trợ bảo vệ phát hiện nhiệt độ PT100.
Phân loại lỗi và quản lý phân loại
Theo tình hình lỗi, kết hợp với nhiều năm kinh nghiệm ứng dụng, việc quản lý lỗi được phân loại và phân loại để giảm số lần ngừng hoạt động lỗi.


Hoàn thành thông tin khắc phục sự cố
Ứng dụng của Biến tần bốn góc VEICHI AC830
Nó được sử dụng rộng rãi trong luyện kim, dầu khí, khai thác mỏ, đóng tàu, cung cấp điện và các ngành công nghiệp khác.
Địa chỉ: 14E/7 Đường ĐT743B, P. Bình Hòa, TPHCM
Email:















