MỤC LỤC BÀI VIẾT
VEICHI AC01: Hướng dẫn sử dụng biến tần

Giới thiệu biến tần VEICHI AC01
Biến tần Veichi AC01 là một thiết bị điện tử được thiết kế để điều khiển động cơ điện xoay chiều (AC). Nó đóng vai trò như một cầu nối giữa nguồn cung cấp điện xoay chiều và động cơ, cho phép người dùng điều chỉnh tốc độ, mô-men xoắn và hướng quay của động cơ. Bài hướng dẫn này sẽ cung cấp thông tin toàn diện về cách sử dụng biến tần VEICHI AC01, bao gồm quy trình cài đặt, cấu hình và vận hành.
Quy trình Cài đặt
1. Kiểm tra Nguồn Điện:
Đảm bảo rằng nguồn điện cung cấp phù hợp với thông số kỹ thuật của biến tần.

2. Lắp Đặt Biến Tần:
Chọn vị trí lắp đặt phù hợp, nơi biến tần được bảo vệ khỏi nhiệt độ quá cao, bụi bẩn và nước. Lắp biến tần theo các hướng dẫn được cung cấp trong sách hướng dẫn của nhà sản xuất.

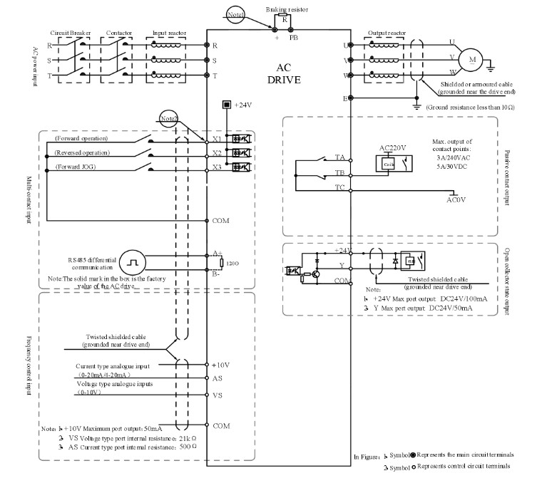
3. Kết Nối Nguồn Điện:
Kết nối biến tần với nguồn điện xoay chiều theo sơ đồ đấu dây được cung cấp.

4. Kết Nối Động Cơ:
Kết nối động cơ điện xoay chiều với biến tần theo sơ đồ đấu dây của nhà sản xuất.
5. Kết nối Bảng Điều Khiển:
Kết nối bảng điều khiển từ xa (nếu có) với biến tần.
Quy trình Cấu hình
1. Thiết Lập Các Thông Số Cần Thiết:
Sử dụng bảng điều khiển hoặc phần mềm để lập trình các thông số cần thiết, chẳng hạn như tần số đầu ra, điện áp đầu ra, giới hạn dòng điện và bảo vệ quá tải.

2. Chọn Chế Độ Điều Khiển:
Biến tần AC01 cung cấp nhiều chế độ điều khiển, chẳng hạn như điều khiển V/F (điện áp/tần số), điều khiển vectơ không cảm biến (SVC) và điều khiển vectơ vòng kín (CLVC). Chọn chế độ điều khiển thích hợp cho ứng dụng cụ thể của bạn.
3. Điều Chỉnh Tần Số Đầu Ra:
Sử dụng bảng điều khiển hoặc phần mềm để điều chỉnh tần số đầu ra của biến tần. Điều này sẽ điều khiển tốc độ quay của động cơ.
4. Điều Chỉnh Mô-men Xoắn:
Nếu chế độ điều khiển vectơ được sử dụng, người dùng có thể điều chỉnh mô-men xoắn của động cơ thông qua các thông số PID (tỷ lệ, tích phân và vi phân).
Quy trình Vận hành
1. Bật Nguồn:
Bật nguồn điện cung cấp cho biến tần.
2. Khởi Động Động Cơ:
Sử dụng bảng điều khiển hoặc phần mềm để khởi động động cơ. Biến tần sẽ tăng dần tần số đầu ra để tránh dòng điện quá mức.
3. Điều Chỉnh Tốc Độ:
Trong khi động cơ đang chạy, người dùng có thể điều chỉnh tần số đầu ra để thay đổi tốc độ quay của động cơ.
4. Ngừng Hoạt Động Động Cơ:
Sử dụng bảng điều khiển hoặc phần mềm để dừng động cơ. Biến tần sẽ giảm dần tần số đầu ra để tránh giảm tốc đột ngột.
5. Giám Sát:
Giám sát biến tần và động cơ trong quá trình hoạt động để đảm bảo hoạt động bình thường. Các thông số quan trọng bao gồm tần số, điện áp, dòng điện và nhiệt độ.
Tính Năng Bảo Vệ trên biến tần VEICHI AC01
Biến tần VEICHI AC01 được tích hợp nhiều tính năng bảo vệ để đảm bảo hoạt động an toàn và đáng tin cậy, bao gồm:Bảo vệ quá tải, Bảo vệ quá dòng, Bảo vệ quá áp, Bảo vệ quá nhiệt, Bảo vệ mất pha
Xử Lý Sự Cố
Nếu xảy ra sự cố trong quá trình hoạt động của biến tần, người dùng có thể tham khảo bảng mã lỗi được cung cấp trong sách hướng dẫn của nhà sản xuất. Các lỗi phổ biến bao gồm:Lỗi quá tải, Lỗi quá áp, Lỗi mất pha, Lỗi quá nhiệt
Kết luận
Biến tần VEICHI AC01 là một thiết bị điện tử mạnh mẽ và linh hoạt được sử dụng để điều khiển động cơ điện xoay chiều. Bằng cách tuân theo các hướng dẫn trong bài viết này, người dùng có thể cài đặt, cấu hình và vận hành biến tần một cách an toàn và hiệu quả. Hiểu rõ về các thông số kỹ thuật, chế độ điều khiển và tính năng bảo vệ của biến tần là điều cần thiết để tận dụng tối đa khả năng của nó và đảm bảo hoạt động đáng tin cậy.
Xem chi tiết sản phẩm VEICHI AC01: Tại đây
Download Tài liệu hướng dẫn đầy đủ: Tại đây
Xem thêm các sản phẩm khác: Tại đây
Địa chỉ: 14E/7 Đường ĐT743B, P. Bình Hòa, TPHCM
Email:


