Tổng quan servo trục chính VEICHI SD500
VEICHI SD500 là thế hệ truyền động servo trục chính hiệu suất cao mới. Giao diện bộ mã hóa kép tiêu chuẩn có thể thực hiện điều khiển servo vòng kín hoàn toàn của động cơ trục chính. Nó tích hợp kiểm soát tốc độ, kiểm soát vị trí và kiểm soát mô-men xoắn. Kiểm soát vị trí chính xác và nâng cao khả năng thích ứng với môi trường của sản phẩm cũng như thiết kế tùy chỉnh và công nghiệp hóa cung cấp các giải pháp truyền động tuyệt vời cho các trục máy công cụ.

1. Bộ mã hóa kép: giao diện bộ mã hóa kép, điều khiển véc tơ vòng kín hoàn toàn.
2. Phản ứng nhanh: khả năng đáp ứng tải mạnh.
3. Tối ưu hóa tham số: tự điều chỉnh tham số vòng lặp.
4. Phạm vi rộng: mô-men xoắn tần số thấp lớn, phạm vi tốc độ rộng.
5. Độ ổn định cao: định vị chính xác và gỡ lỗi đơn giản.
6. Hỗ trợ vòng lặp mở và vòng kín: Tích hợp truyền động đồng bộ và không đồng bộ.
Ổ đĩa servo trục chính hiệu suất cao
SD500 là thế hệ trình điều khiển servo trục chính hiệu suất cao mới được phát triển bởi VEICHI. Nó được trang bị các giao diện bộ mã hóa kép theo tiêu chuẩn, có thể thực hiện điều khiển servo vòng kín hoàn toàn của động cơ trục chính. Nó tích hợp điều khiển tốc độ, điều khiển vị trí và điều khiển mô-men xoắn; nó tăng cường khả năng thích ứng với môi trường, cũng như thiết kế tùy chỉnh và công nghiệp hóa, để cung cấp các giải pháp truyền động tuyệt vời cho các trục máy công cụ.

Khả năng tự học mạnh mẽ

1. Nó hỗ trợ điều khiển véc tơ vòng hở và vòng kín, tích hợp điều khiển đồng bộ và không đồng bộ.
2. Điều khiển vị trí và tốc độ chính xác, độ chính xác định vị có thể đạt cộng hoặc trừ 1 xung.
3. Chức năng tự học mạnh mẽ: thông số động cơ, bộ mã hóa, quán tính hệ thống và tự điều chỉnh thông số vòng lặp tốc độ.
4. Nền tảng đầu ra mô-men xoắn không đổi rộng hơn, khả năng làm suy yếu trường mạnh hơn để tăng tốc độ.
Thiết kế bảo vệ ba lần, khả năng thích ứng môi trường mạnh mẽ

1. Vị trí dừng chính xác nhiều giai đoạn, lỗi khai thác cứng là cộng hoặc trừ 2%.
2. Vị trí 0 được đặt bằng một nút bấm, thuận tiện cho việc vận hành.
3. Giới hạn dòng điện của phần cứng, khả năng quá tải mạnh, thích ứng với các điều kiện làm việc khắc nghiệt khác nhau.
4. Tám mươi loại bảo vệ thất bại, bảo vệ toàn diện an toàn sản phẩm.
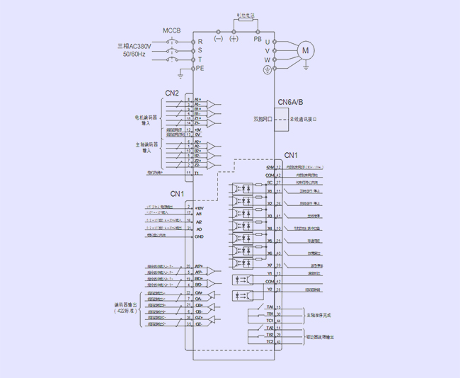
Cổng kết nối phong phú

1. Công tắc 6 chiều + 1 cách báo hiệu đầu vào của công tắc.
2. 2 đầu ra cực thu + 2 đầu ra rơle.
3. 1 đầu vào tương tự lưỡng cực + 1 đầu vào tương tự đơn cực + 1 đầu ra tương tự.
4. 2 đầu vào bộ mã hóa + 1 đầu vào xung lệnh tốc độ cao + 1 đầu ra vi sai phân chia tần số tùy ý.
5. Được trang bị nguồn điện bên ngoài 5V, 10V, 24V.
Điều khiển chính xác cao

1. Điều khiển vị trí, điều khiển tốc độ, điều khiển mô-men xoắn.
2. Động cơ không đồng bộ/động cơ đồng bộ/V/F, véc tơ vòng hở, điều khiển véc tơ vòng kín.
3. Chế độ cài đặt nhiều xung.
4. Nhận dạng quán tính, tự điều chỉnh tham số vòng lặp.
5. 8 kiểm soát dừng chính xác lập chỉ mục.
6. Vị trí xoay.
7. Cài đặt một phím không điểm.
8. Điều khiển PID , v.v.
Hiệu suất vượt trội tất cả trong một để tạo ra một sản phẩm VEICHI SD500

1. Thuật toán điều khiển véc tơ dòng điện hoàn hảo.
2. Phạm vi tốc độ rộng và xung tốc độ nhỏ ở tốc độ siêu cao.
3. Thiết bị phần cứng an toàn và đáng tin cậy.
4. Điều khiển vị trí có phản ứng nhanh và độ chính xác cao.
5. Kiểm soát tiết kiệm năng lượng chuyển đổi tần số tuyệt vời.
6. Mô-men xoắn được kiểm soát chính xác và đầu ra ổn định.
7. Mô-men xoắn tần số thấp lớn và tốc độ ổn định.
8. Kiểm soát đáp ứng tĩnh và động tải tốt.
Các ứng dụng công nghiệp cho ổ đĩa Servo trục chính VEICHI SD500
Ứng dụng:Được sử dụng trong các ngành công nghiệp và thiết bị như máy công cụ CNC, sản xuất điện tử, máy dệt, in và đóng gói, máy cắt bế và máy chế biến gỗ.
Địa chỉ: 14E/7 Đường ĐT743B, P. Bình Hòa, TPHCM
Email:















